TANHV 8124高壓人工網絡用于新能源汽車高壓測試系統。頻率范圍100KHz-150MHz,測試電壓DC 1000V。符合CISPR 25:2016和ISO 7637-4標準要求。適用于傳導騷擾測試以及瞬態抗擾測試。
特點:
> 依據CISPR 25:2016同時滿足ISO 7637-4標準要求
> 測試電壓:1000 VDC (可定制更高電壓等級)
> 測試電流Imax:50A (可定制更高電流等級)
> 體積小巧,攜帶方便
符合標準:
> CISPR 25:2016
>ISO 7637-4
應用領域:
> 新能源汽車
> 航空
> 軍用
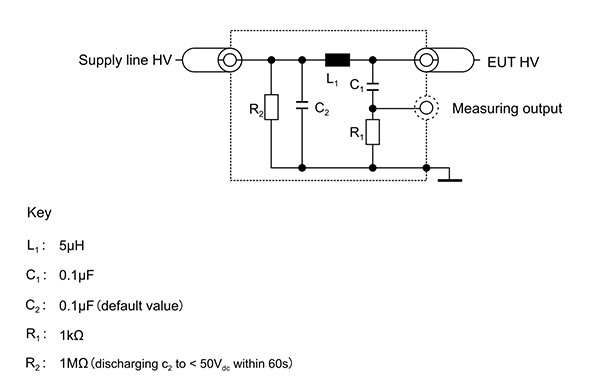
主回路圖:

關于TANHV 8124技術參數請訪問傳宣單頁>>>>>>>>>>>>
http://www.tn738yu.cn/product/show/424;歡迎來訪!