
產品介紹:
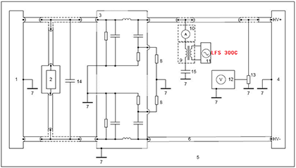
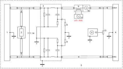
LFS 300C低頻正弦干擾模擬器符合ISO/DTS 7637-4:C-2017標準,滿足新能源車載電驅動及高壓零部件的瞬態傳導測量標準脈沖C要求。該設備采用我司的第三代控制平臺設計,具有控制智能化,操作簡單,在Autolab軟件界面設置相關參數即可進行一鍵運行測試。
1、line-to-line
2、HV+ line-to-ground
更多低頻正弦干擾模擬器(脈沖C)LFS 300C產品信息請訪問產品中心>>>>>>>>http://www.tn738yu.cn/product/show/1158;