
此次分享的是關于IEC 61000-4-2:2025 標準主要差異及變更目的;相關內容的要求、方法的詳細介紹。
標準版本號變更
2025版對放電發生器的要求
1.靜電放電模擬器原理保持一致
2.電流波形測量點數增加Ip2(10ns~40ns之間最大峰值)
靜電槍校準
1.6.3章節正文中增加了靜電槍校準的布置描述。2008版相關內容描述在附錄D.4中。
2.靜電槍下面增加了1.2*1.5m的接地參考面板,同時增加了電流靶到接地參考面之間的高度要求(1m)。
3.ISO 10605-2023版的校準布置不一樣。
4.ISO 10605-2023版保留原來的校準布置,修改了發生器主機的放置位置。
5.增加空氣放電模式的校準要求及方法
空氣放電校準:如果接觸放電和空氣放電模式切換,只是更換前端放電金屬導體(沒有附加的有源或無源 電子元件),校準可僅測量空氣放電時的最大開路電壓。否則在接觸放電模式安裝空氣放電頭進行測量。
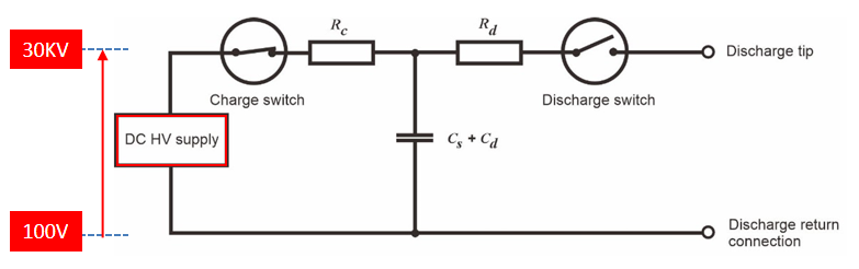
靜電槍輸出電壓范圍
1. 高壓電源輸出電壓范圍跨度大,輸出最小電壓<100V,輸出最大電壓>30KV。
2. 同時兼顧高低電壓的電壓精度±5%。
3.增加了高壓電源的成本。對于使用者,也是增加了設備投入成本。
試驗布置
1.明確要求靜電放電發生器的任何外部電源都應放置在 RGP 上。
2.放電回流電纜與試驗配置中的其他導電部件之間的距離不得小于 0.1 米(由0.2m變更為)。
3.與 RGP 的連接以及所有搭接的阻抗應較低(新增 例如 ≤0.1 歐姆),例如通過使用機械夾緊 裝置來實現。
4.增加泄放電阻器誤差范圍( 470±10 )KΩ要求及電阻器位置要求(距離電纜兩端各不超過 10 cm)。
注 2:除非產品委員會另有決定,否則對于安裝在天花板上的設備,一般不進行靜電放電(ESD)測試,因為此類設備在安裝后用戶不 會接觸。
-與受試設備(EUT)相關的任何安裝支腳都應保持原位。
-任何輔助設備(AE)可以放置在任何位置(例如測試環境之外、接地參考面(RGP)、水平耦合板(HCP))。
-受試設備與輔助設 備之間的互連電纜可以斷開連接,這既可以保護輔助設備免受放電影響,也可以是因為受試設備的規格要求斷開連接。
桌上型試驗布置
新增1:放電電阻電纜的最大長度 應為 1.5 米。
新增2:被測設備及其電纜與HCP之間應采用厚度為(0.5 ± 0.05)mm的絕緣材料隔開。
新增3:VCP邊長為(0.5 ± 0.005)m的方形,)放置在非導電支 撐物上;并且與受試設備(EUT)的側面保持(0.1 ± 0.01)m的距離。VCP泄放電阻電纜組件的最大長度應為 3 米,且不得捆扎。
落地式設備
新增1:VCP間接放電時,VCP邊長為(0.5 ± 0.005)m的方形電壓放電板,且該板距離被測設備(EUT)的側面應為(0.1 ± 0.01)m。VCP通過放電電 纜與電阻接地平面(RGP)相連。VCP 放電電纜最大長度3 米,且不得捆扎。。
不接地設備
增加 注 1:對于存在用戶可觸及的金屬浮片的產品,接觸放電至該浮片可能會導致產品內部發生二次放電,從而造成故障。根據浮出的 裸露金屬與內部接地結構之間的間隙大小,有時在較低的電壓水平下,二次放電可能會更靠近敏感電子元件,或者比在較高電壓水 平下更明顯。在依靠諸如導電膠等薄絕緣層作為接地路徑的情況下,也是如此。在較高電壓水平下,靜電放電可能會通過薄膠層產 生電弧,而在較低電壓水平下,電火花可能會被迫走不同的路徑,從而導致故障。對于諸如手持設備之類的產品,產品委員會可以 規定在較低的測試電壓水平下也進行接觸放電測試。
試驗布置應與7.3.3、7.3.4 中規定相同;如適用可與附錄I特定類型設備試驗布置中規定的布置相同。
安裝后試驗布置
增加:注 1:安裝后的測試通常僅適用于非常大的設備(例如固定裝置、大型機械),這些設備無法運送到實驗室。
修改為:受試設備的部分部件安裝在金屬 支撐結構上,金屬結構應連接到參考接地平面。
附錄 A (資料性) 解釋性說明
A.1一般的考慮
A.2 環境條件對充電量的影響
A.3人體帶電產生的靜電放電現象
A.4 空氣放電現象
A.5 空氣放電的變化
A.6 空氣放電的溫度和濕度
A.7 接觸放電試驗的基本原理
A.8 試驗級別選擇
A.9 靜電放電發生器元件的選擇
A.10 發生器規格的基本原理
附錄F(資料性)測量不確定度(MU)的考慮
2025版重新考慮測量不確定度的計算方法


附錄 G (資料性) 安裝后試驗的布置
2025版將正文中“安裝后試驗的布置”由正文單獨增加一個附錄G進行描述。


附錄 H (規范性) 升級策略【新增】
主要解決試驗結果出現差異,增加操作說明。
由于靜電放電(ESD)的復雜性以及測試設備固有的偏差,被測設備(EUT)在施加放電時的性能可能會出現一些變化。通常,這些變化是由于錯誤的測試水平不同或被測設備在測試過程中表現出的錯誤類型不同所致。根據這些變化出現的測試水平,其性能的變化可能會影響被測設備是否通過測試的判定。
如果被測設備(EUT)的性能存在差異,則應采取以下步驟來確定差異的來源。
a)核實測試設置;檢查所有細節,包括每根電纜的位置以及受試設備(例如,蓋子、門)的 狀態。
b) 核實測試程序,包括設備待測單元(EUT)的操作模式、輔助設備的位置和布置、操作人 員的位置、軟件狀態以及對 EUT 施加放電的情況。
C)驗證測試結果的差異是否由使用不同的發生器所導致。對于與安全相關的功能,產品委員會可以決定不采用升級策略。可以采用更嚴格的升級策略。
升級策略如果在所有測試條件(包括靜電放電發生器)相同的情況下,被測設備(EUT)的性能出現 差異,則應采用以下升級策略來確定 EUT 是否符合要求。此策略應適用于在施加一組放電時, EUT 性能超出規定要求的每個測試點。
已按照 8.3.2 條款并以規定的測試等級進行了首次測試。如果在測試過程中,被測設備 (EUT)的性能超出規定要求的情況出現不止一次,那么測試結果即超出產品委員會設 定的可接受性能閾值。如果在初始放電測試集中,EUT 性能超出規定要求的情況僅出現 一次,則按照以下步驟2) 進行進一步測試。
第2次測試應在該測試點進行,放電次數為規定測試要求的兩倍。如果在測試過程中,被 測設備(EUT)的性能超出規定要求的情況出現不止一次,測試結果超出產品委員會 設定的可接受性能閾值。如果在初始放電過程中,被測設備(EUT)的性能超出規定要 求的情況僅出現一次,則應按照以下步驟 3)進行進一步測試。
第三次測試應在該測試點以與步驟 2) 相同的放電次數,按照規定的測試水平進行。如果 EUT 的性能未超出規定的性能要求,則測試結果在產品委員會設定的可接受性能閾值范 圍內。如果 EUT 的性能超出規定的性能要求,則測試結果超出產品委員會設定的可接受性能閾值范圍。
附件I(規范性) 針對特定類型設備的附加或進一步試驗布置【新增】
測試裝置應由一個非導電支撐物組成,其高度為(0.8 ± 0.08)m,置于 RGP 上。EUT 電纜應通 過一個(0.5 ± 0.05)毫米的絕緣支撐物與 RGP 隔離。裝置的其他方面應符合 7.3.2 和 7.3.5 中的 規定(如適用)。對于所有可觸及的外殼部件,VCP 的位置應符合 8.3.3.3 中的規定。對于小型壁掛式受試設備(即小于 0.5×0.5 米),垂直極化波的中心點應位于受試設備每側的中 心位置。
安裝在不含導電結構的墻壁上或嵌入墻壁內的壁掛式設備
安裝在含導電結構的墻壁上,金屬 的尺寸在各個方向上應至少超出設備待測物 0.5 m。

附錄 J(資料性)可穿戴設備【新增】
可穿戴設備所承受的靜電放電(ESD)應力與固定設備不同,因為可穿戴設備是通過人體充電的。例如,可穿戴設備會被佩戴在人的頭部、手臂、手腕和腰部。
可穿戴設備應按照臺式設備的要求進行測試。
可穿戴設備上的靜電放電(ESD)應力可能由以下五種情況引起:
·用帶電的手拿起可穿戴設備;
·由未佩戴該設備的人用手取下已充電的可穿戴設備;靜電放電源自佩戴可穿戴設備的人手;
·用自己的一只手取下充電的可穿戴設備并將其放在桌上;
·由可穿戴設備直接對其他物體產生的靜電放電。


對于可穿戴設備的附加實驗靜電放電 (ESD)測試,建議的存儲電容和放電電阻分別為 200pF和 50 Ω,以接觸放電模式對可穿戴設 備的導電部分施加靜電放電;以重現腰部佩戴的可穿戴設備所能產生的最嚴重放電電流狀況。
附錄 K (資料性) 試驗結果評估【新增】
2025版將正文中“試驗結果的評估”由正文單獨增加一個附錄K進行描述。
試驗結果應根據受試設備(EUT)在試驗中的功能下降或降低程度進行分類(性能標準),該下降或 降低程度相對于產品委員會所規定的允許下降程度而言。否則,允許的下降程度由產品的制造 商或購買者指定。
A) 通常被認為屬于“正常”運行,即產品按照產品文檔中的規格和 公差運行。靜電放電(ESD)通常會導致性能下降或影響 EUT 的正常運行。因此,在評估測試 結果時,產品委員會可以選擇性能標準 B。
B) 通常被認可,即在靜電放電(ESD)測試期間,允許設備的運行出現一定程度的性 能下降(即超出規格),但前提是設備在測試后能夠自行恢復到正常運行狀態。產品委員會應 考慮用戶在正常使用設備時的合理預期,來確定可接受的性能下降閾值。例如,在靜電放電測 試期間,如果設備變得無法使用或完全喪失功能,通常都是不可接受的。以下是一些例子:? 顯示屏:顯示屏通常采用非導電材料封裝,因此需要進行空氣放電測試。靜電放電空氣放電 測試可能會導致亮度顯著降低或出現抖動。閾值可以通過允許顯示屏亮度降低到一定程度且 抖動在可接受范圍內,同時仍能清晰識別顯示的重要信息來確定。“黑屏”可能超出可接受 的閾值。? 數字電路:靜電放電(ESD)測試可能會導致同步電路中斷。可以設定一個閾值,即在靜電 放電事件發生后“正常”數據傳輸得以恢復的情況下,受影響的數據傳輸的錯誤率。
C )通常被認可為:在操作中斷時不會損壞設備,必要時允許操作人員干預以恢復運行。該性能標準通常不適用于評估 ESD 測試結果。