

|
技術參數 |
|
|
符合標準:GJB151B-2013& MIL-STD-461E-1999 |
|
|
測試電壓Vmax |
6000V(DC~60Hz) |
|
測試電流Imax |
3000A (DC~60Hz) |
|
測試端子 |
SHV-BNC型 |
|
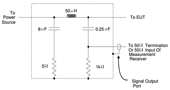
電感 |
50uH |
|
耦合電容 |
0.25uF |
|
阻抗頻率范圍 |
10kHz~10MHz |
|
通用參數 |
|
|
機箱尺寸* |
1816*960*1076mm(長*高*寬) |
|
儀器重量* |
約430Kg |
|
環境溫度 |
15-35℃ |
|
環境濕度 |
45% - 75% |
|
氣壓范圍 |
86kPa – 106kPa |
|
隨機標配 |
|
主機1臺、說明書、檢測報告 |
全國免費服務熱線
4006-0512-77