
設計原理:

|
技術參數 |
|
|
符合標準:CISPR 25, ISO 7637-4和ECE R10 |
|
|
測試電壓Vmax |
300 V 400 Hz |
|
700 V 50/60 Hz |
|
|
1000 V DC |
|
|
測試電流Imax |
200 A |
|
瞬時最大電流 |
280 A |
|
同軸端子 |
N型 |
|
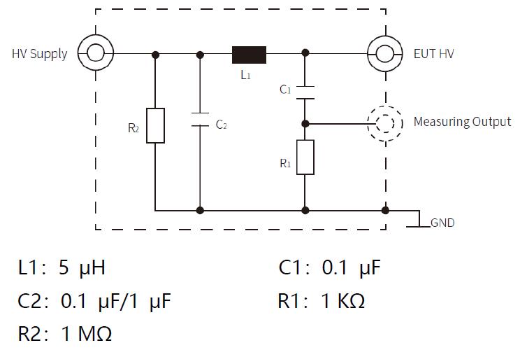
電感 |
5 μH |
|
耦合電容 |
0.1 μF |
|
輸入電容 |
0.1 μF, 1 μF 可切換 |
|
頻率范圍 |
0.1 MHz ~ 150 MHz |
|
通用參數 |
|
|
機箱尺寸 |
200 mm*210 mm*415mm(寬*高*深) |
|
儀器重量 |
7.6 kg |
|
溫度范圍 |
15 ℃ ~ 35 ℃ |
|
濕度范圍 |
45% ~ 75% |
|
氣壓范圍 |
86 kPa ~ 106 kPa |
|
附件 |
|
說明書 |
|
選購件 |
|
阻抗校準治具 |
全國免費服務熱線
4006-0512-77