
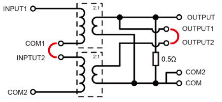
CN 200耦合變壓器由兩個2:1變壓器初級串聯、次級并聯,輸出端內置并聯0.5 Ω/250 W的無感電阻組成,滿足FMC 1278-2016 CI250 Immunity to Ground Voltage Offset測試要求。本耦合變壓器亦有2:1無端接負載輸出端子,可以滿足其他標準的測試要求。
特點
> 頻率范圍2 kHz ~ 100 kHz
> EUT最大電流為50 A
> 多變比輸出,簡單快捷的組合實現2:1/4:1
標準原理圖:
|
技術參數 |
|
|
頻率范圍 |
2 kHz ~ 100 kHz |
|
輸入電流Max |
32 A AC/DC |
|
EUT電流Max |
50 A AC/DC |
|
音頻功率 |
200 W |
|
匝比 |
4:1/2:1 |
|
輸入端口 |
4 mm香蕉頭端子 |
|
輸出端口 |
75 A同軸空心端子 |
|
機箱尺寸 |
4U 450 mm(W)*190 mm(H)*620 mm(D) |
|
儀器重量 |
約20 kg |
|
溫度范圍 |
15℃ ~ 35℃ |
|
濕度范圍 |
45% ~ 75%,RH(無凝露) |
|
氣壓范圍 |
86 kPa ~ 106 kPa |
全國免費服務熱線
4006-0512-77