

|
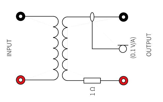
技術參數 |
|
|
頻率范圍 |
2 kHz ~ 150 kHz |
|
最大電流 |
5 A |
|
最大電壓 |
<22 V |
|
阻抗 |
1 Ω±0.3 Ω |
|
接頭 |
4 mm香蕉頭 |
|
溫度范圍 |
5 ℃~40 ℃ |
|
濕度范圍 |
< 80% |
|
氣壓范圍 |
86 kPa ~ 106 kPa |
|
尺寸 |
200 mm (L)×150 mm(W)×53 mm(H) |
|
重量 |
2.5 kg |
全國免費服務熱線
4006-0512-77